პროდუქტები
პროდუქტები
ავტომატური სინათლის გადართვის ტაიმერი
  • ავტომატური სინათლის გადართვის ტაიმერიავტომატური სინათლის გადართვის ტაიმერი
  • ავტომატური სინათლის გადართვის ტაიმერიავტომატური სინათლის გადართვის ტაიმერი
  • ავტომატური სინათლის გადართვის ტაიმერიავტომატური სინათლის გადართვის ტაიმერი
  • ავტომატური სინათლის გადართვის ტაიმერიავტომატური სინათლის გადართვის ტაიმერი

ავტომატური სინათლის გადართვის ტაიმერი

XUCKY მაღალი ხარისხის ავტომატური განათების ჩამრთველი ტაიმერი, ALST8 კიბეების დროის ჩამრთველი ხელმისაწვდომია DIN რელსში. ის მუშაობს 1 წუთიდან 7 წუთამდე და აღჭურვილია ელექტრონული გადატვირთვის დაცვით.

XUCKY მაღალი ხარისხის ავტომატური განათების ჩამრთველი ტაიმერი, ALST8 კიბეების დროის ჩამრთველი ხელმისაწვდომია DIN რელსში. ის მუშაობს 1 წუთიდან 7 წუთამდე და აღჭურვილია ელექტრონული გადატვირთვის დაცვით.

● მუდმივი განათების ჩართვის გადართვა

● არ არის დახურული დენის მოხმარება

● გარე ბიძგების კონტროლი

● სანდოა სინქრონული ძრავის ამძრავის გამო

● დაბალი მგრძნობელობა ჩარევის მიმართ

● ზუსტი მექანიკა და შესაბამისად ზუსტი გადართვის პერიოდი

● დროის უმარტივესი შესაძლო დაყენება და პირდაპირი დაყოვნების დროის წაკითხვა აბსოლუტურ მასშტაბზე


აღწერა

XUCKY მაღალი ხარისხის ავტომატური განათების ჩამრთველი ტაიმერი განკუთვნილია ელექტრული გადამრთველის ყუთში, რათა გამორთოს კონკრეტული წრე 1 წუთიდან 7 წუთამდე ათვლის პერიოდით. მას ასევე შეუძლია იმუშაოს როგორც ჩვეულებრივი ჩართვა/გამორთვა. დროის უკუთვლის ჩამრთველი საშუალებას გაძლევთ დაუკავშირდეთ ბევრ გადამრთველს (როგორც ნეონის გადამრთველით, ასევე მის გარეშე) სხვადასხვა ადგილას მეტი მოხერხებულობის კონტროლისთვის.


პროდუქტის შერჩევა

ძაბვა

230 ვაკ

სიხშირე

50 ჰც

გადართვის ტევადობა

16A


მაქსიმალური რეკომენდებული დატვირთვა (10000 ოპერაცია)

ინკანდესენტური/ჰალოგენური ნათურის დატვირთვა 230 ვ

ფლუორესცენტური ნათურის დატვირთვა (ჩვეულებრივი) პარალელურად კორექტირებული

ფლუორესცენტური ნათურის დატვირთვა (ჩვეულებრივი) პარალელურად კორექტირებული

ენერგიის დაზოგვის ნათურები

LED ნათურა < 2 W

LED ნათურა 2–8 W

LED ნათურა > 8 W

2300 ვტ

2300 VA

30-იანი წლების შემდეგ

150 ვტ

30 ვტ

300 ვტ

300 ვტ


ტექნიკური მონაცემები

ფლუორესცენტური ნათურის დატვირთვა (ელექტრონული ბალასტი)

600 ვტ

კავშირის ტიპი

3-/4-დირიჟორები

მეორადი გადართვა

30-იანი წლების შემდეგ

საბინაო და საიზოლაციო მასალა

მაღალი ტემპერატურის რეზისტენტული, თვითჩაქრობა თერმოპლასტიკური

ლოდინის მოხმარება

0 ვტ

დაცვის ტიპი

IP 20

დაცვის კლასი

II EN 60 730-1-ის მიხედვით

ნებადართული გარემო ტემპერატურა

-10 ~ +50 °C (გაყინვის გარეშე)

ტესტის დამტკიცება

CE


სპეციფიკაციები

რეიტინგული დენი 230V~50Hz
ომური დატვირთვა 16A, მაქსიმალური სიმძლავრე 3680W
ინდუქციური დატვირთვა 230V~, 4A /cosΦ0.4
ათვლის პერიოდი 1 წუთიდან 7 წუთამდე
სიზუსტე 0-დან 1 წუთამდე: ±10 წამი
0-დან 7 წუთამდე: ±18 წამი
IP რეიტინგი IP20
სამუშაო ტემპერატურა -10°C-დან 55°C-მდე


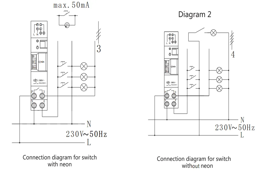
გაყვანილობის დიაგრამები


მონტაჟი და დაკავშირება

1. შექმნილია ელექტრული გადამრთველის ყუთში მარტივი ინსტალაციისთვის, უბრალოდ მიამაგრეთ ტაიმერი მოაჯირზე და დააჭირეთ, სანამ არ გაიგონებთ „დაწკაპუნებას“. ამოსაღებად ჩამოწიეთ ტაიმერის ბოლოში მდებარე სამაგრი, რომ გაათავისუფლოს.

2. დროის გადამრთველი საშუალებას იძლევა დაკავშირება გადამრთველთან (ნეონის შუქით ან მის გარეშე).

ა.შეაერთეთ სადენები, როგორც ეს მითითებულია დიაგრამა 1-ში ნეონის გადამრთველისთვის და დიაგრამა 2-ში გადამრთველისთვის ნეონის გარეშე.

ბ.ჩართეთ გადამრთველი პოზიციებზე, ჩართეთ ყოველთვის.

გ. უკუმთვლელი ფუნქციებისთვის, გადააბრუნეთ დროის ღილაკი სასურველ ათვლის პერიოდზე (1 წუთიდან 7 წუთამდე).

d.შემდეგ, დააყენეთ გადამრთველი პოზიციებზე, გამორთულია დენი. დროის გადამრთველი არის ლოდინის რეჟიმში უკუთვლა ფუნქციისთვის.

ე.დააჭირეთ ნეონის გადამრთველს, რომ ჩართოთ უკუნთი ფუნქციის გასააქტიურებლად, ჩართვა დენი. ის ავტომატურად გამოირთვება წინასწარ განსაზღვრული დროის მიხედვით.

ვ. ნეონის მთლიანი დენი არ უნდა აღემატებოდეს 50 mA-ს. თუ ნეონი ატარებს 1 mA დენს, მაშინ არ უნდა დააკავშიროთ 50-ზე მეტი ნეონის გადამრთველი დროის ათვლის გადამრთველთან.

g.გადამრთველისთვის ნეონის გარეშე, შეგიძლიათ დააკავშიროთ რამდენიც საჭიროა სხვადასხვა ადგილას მარტივი კონტროლისთვის.

3. როდესაც Timewitch არის countdown რეჟიმში, არ იქნება ინტერფეისი:

დაკავშირებული გადამრთველის დაჭერა (როგორც ნეონის გადამრთველით, ასევე მის გარეშე). დროის ღილაკის ჩართვა სხვა დამთვლელ პერიოდზე.



ცხელი ტეგები: ავტომატური სინათლის ჩამრთველი ტაიმერი, ჩინეთი, მწარმოებელი, მიმწოდებელი, ქარხანა
დაკავშირებული კატეგორია
გამოკითხვის გაგზავნა
Საკონტაქტო ინფორმაცია
  • მისამართი

    No.2567 Liuqing South Road, Liushi, Yueqing, Wenzhou, Zhejiang, ჩინეთი

  • ტელ

    +86-15372830518

  • ელ.ფოსტა

    xucky@xucky.com

მოითხოვეთ თქვენი უფასო შეთავაზება და მორგებული გადაწყვეტის ნიმუში

გაგზავნეთ მოთხოვნა დღეს თქვენს სპეციფიკაციებზე მორგებული კონკურენტული შეთავაზებით.

X
ჩვენ ვიყენებთ ქუქიებს, რათა შემოგთავაზოთ დათვალიერების უკეთესი გამოცდილება, გავაანალიზოთ საიტის ტრაფიკი და კონტენტის პერსონალიზაცია. ამ საიტის გამოყენებით თქვენ ეთანხმებით ჩვენს მიერ ქუქიების გამოყენებას. კონფიდენციალურობის პოლიტიკა
უარყოფა მიღება